Відкласти
Відкладено
Порівняти
У порівнянні
від 4,69 грн.
Знайшли дешевше?
Размер
- М 8
DIN 6799 Шайба упорна швидкознімна нержавіюча
Ціна дійсна лише для інтернет-магазину та може відрізнятись від ціни в роздрібному магазині.
- Опис
- Відгуки про товар
- Задати питання
- Додатково
-
DIN 6799 Шайбы упорные быстросъёмные, стопорные для валов диаметром от 1 до 38 мм.
Материалы:
- Нержавеющая сталь

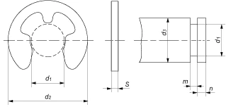
Размеры быстросъёмных упорных шайб DIN 6799 в мм d1 d2 d3 s m n 0.8 2.25 1 - 1.4 0.2 0.24 0.4 1.2 3.25 1.4 - 2 0.3 0.34 0.6 1.5 4.25 2 - 2.5 0.4 0.44 0.8 1.9 4.8 2.5 - 3 0.5 0.54 1 2.3 6.3 3 - 4 0.6 0.64 1 3.2 7.3 4 - 5 0.6 0.64 1 4 9.3 5 - 7 0.7 0.74 1.2 5 11.3 6 - 8 0.7 0.74 1.2 6 12.3 7 - 9 0.7 0.74 1.2 7 14.3 8 - 11 0.9 0.94 1.5 8 16.3 9 - 12 1.0 1.05 1.8 9 18.8 10 - 14 1.1 1.15 2 10 20.4 11 - 15 1.2 1.25 2 12 23.4 13 - 18 1.3 1.35 2.5 15 29.4 16 - 24 1.5 1.55 3 19 37.6 20 - 31 1.75 1.80 3.5 24 44.6 25 - 38 2 2.05 4 Обозначения:
d1 - диаметр паза вала
d2 - наружный диаметр шайбы
d3 - диаметр вала
s - толщина шайбы
m - ширина паза вала
n - минимальный выступАналог DIN 6799:
ГОСТ 11648-75 - упорные быстросъемные шайбы для валов диаметром от 2 до 20 мм.
Параметры Матеріал / покриття Нержавеющая сталь А2 -
Ви можете задати будь-яке питання, що цікавить вас, по товару або роботі магазину.
Наші кваліфіковані спеціалісти обов'язково допоможуть вам. -
Цей товар, як і будь-який інший можна купити у нашому магазині:
- з оплатою при отриманні (накладений платіж)
- оплативши карткою
- для організацій є безготівкова оплата з відшкодуванням ПДВ
Ми відправляємо у всі регіони України
- Новою поштою
великогабаритні замовлення
- Делівері
- САТ
В Одесі Ви можете забрати товар самі з нашого магазину. Одеса, вул. Євгена Чикаленка (Академіка Вільямса), 55
